球式电磁换向阀23QDF型
【所属分类】:液压电磁阀
【产品型号】:
【市场价格】:面议/电询
【生产厂家】:宁波朝日液压有限公司
【访问人次】:次
1.产品概述
本型球式电磁换向阀是依据国外资料研制而成。主要用于二通插装阀液压系统中实现无泄漏先导控制,在满足压降—流量特性要求时也可作为其他执行机构的方向控制元件。
本型球式电磁换向阀主要由电磁铁和换向阀组成,通过杠杆连接将电磁铁输出的推力放大,并通过推杆推动阀芯,实现换向。阀芯采用优质高精度钢球,无轴向密封长度,换向过程中不存在液压力造成的径向卡紧,因而换向可靠且响应快。根据此阀的结构特点及材质的选用,使它广泛适用于以矿物油、乳化液、高水基液体、甚至是气体介质的控制系统中。
本型球式电磁换向阀采用卸荷型结构,能自动平衡系统工作介质压力变化对阀芯轴向作用力的影响,使阀口保持恒定密封力的密封状态。本型球式电磁换向阀有二位三通。
2.型号说明
※ 23 QD F6 ※ / ※ E24
① ② ③ ④ ⑤ ⑥ ⑦
① 工作介质:省略—矿物油 W—乳化液或高水基液体
② 23一二位三通
③ 名称代号:球式电磁换向阀
④ 公称通径:6.10MM
⑤ 机能代号:K—常开、B—常闭
⑥ 压力等级:315-31.5Mpa;200-20Mpa
⑦ 额定工作电压:24VDC;220VAC
3.技术参数
公称压力:31.5MPa或20MPa
适用介质:矿物油、乳化液或高水基液体
介质温度:-15℃~65℃
介持粘度:10~350cSt
过滤精度:≤25μ

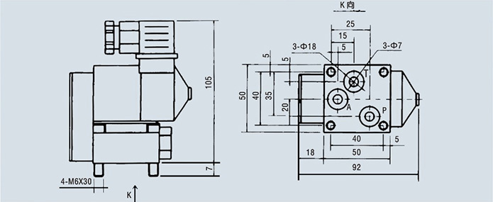
4.外形尺寸
二位三通球式电磁换向阀※23QDFF6※/※ E24

5.订货说明
① 订货时须写明型号代号全称,如:通径6mm,工作压力31.5Mpa,工作电压24VDC,二位三通常开式电磁换向阀(工作介质为矿物油)23QDF6K/315E24
② 如对此球式电磁换向阀由特殊要求时,请同本企业商洽。
③ 本企业保留设计更改权,对修改不另行通知。
CN
EN
ES


